• Главная
  • принцип работы газового духового шкафа

Принцип работы газового духового шкафа

2 февраля 2024 / 0 комментариев / 12 просмотров

Газовый духовой шкаф - это удобное и практичное устройство для приготовления пищи. Он работает на основе газа и обеспечивает равномерное распределение тепла внутри камеры.

Духовой шкаф 250/280/440 в печку
1
Духовой шкаф 250/280/440 в печку
Gefest газовая плита 300-03 схема
2
Gefest газовая плита 300-03 схема
Электрический духовой шкаф Gefest да 622-02 к28
3
Электрический духовой шкаф Gefest да 622-02 к28
Устройство духового шкафа электрического
4
Газовая плита Дарина схема духовки
5
Газовая плита Дарина схема духовки
Электа плита конструкция духовки
6
Электа плита конструкция духовки
Газовая плита Гефест схема духового шкафа
7
Газовая плита Гефест схема духового шкафа
8
Горелка духовки газовой плиты Гефест
9
Горелка духовки газовой плиты Гефест
Gefest газовая плита 300-03 схема
10
Gefest газовая плита 300-03 схема
принцип работы газового духового шкафа
11
Схема устройства газовой духовки плиты Гефест
12
Схема устройства газовой духовки плиты Гефест
Схема горелка духового шкафа газовой плиты
13
Gefest газовая плита 300-03 схема духовки
14
Gefest газовая плита 300-03 схема духовки
ГАЗ плита Гефест к 85
15
ГАЗ плита Гефест к 85
Схема инжекционной горелки газовой плиты
16
Схема инжекционной горелки газовой плиты
Газовая плита Дарина 1as GM 521 001 W
17
Газовая плита Дарина 1as GM 521 001 W
Газовая плита Дарина схема духовки
18
Газовая плита Дарина схема духовки
Газовая плита Дарина км 341 304 схема подключения проводов
19
Газовая плита Дарина км 341 304 схема подключения проводов
Сборка газовой плиты
20
Сборка газовой плиты
принцип работы газового духового шкафа
21
Electrolux eog621
22
Electrolux eog621
Газовая горелка в духовке Электролюкс
23
Газовая горелка в духовке Электролюкс
Электроплита Когаст схема устройства
24
Электроплита Когаст схема устройства
Схема духовки газовой плиты Гефест
25
Схема духовки газовой плиты Гефест
Устройство крана газовой плиты схема
26
Устройство крана газовой плиты схема
Zanussi духовой шкаф газовый инструкция
27
Zanussi духовой шкаф газовый инструкция
Газовый кран плиты Гефест схема
28
Газовый кран плиты Гефест схема
Плита Дарина ем404 электрическая схема
29
Плита Дарина ем404 электрическая схема
Кран газовый на плиту ПГ-6д
30
Кран газовый на плиту ПГ-6д
Схема подачи газа плита Гефест на горелку
31
Схема подачи газа плита Гефест на горелку
Плита Гефест ГАЗ контроль
32
Плита Гефест ГАЗ контроль
Плита Гефест дно
33
Плита Гефест дно
Регулировки духовки для газовой плиты
34
Регулировки духовки для газовой плиты
Плита Гефест электроподжиг и ГАЗ контроль
35
Плита Гефест электроподжиг и ГАЗ контроль
Газовая варочная панель Whirlpool AKM 528 na
36
Газовая варочная панель Whirlpool AKM 528 na
Схема подключения силовой розетки для варочной панели
37
Схема подключения силовой розетки для варочной панели
Гефест газовая пламя в духовке не регулируется 5100
38
Гефест газовая пламя в духовке не регулируется 5100
Гефест сверху ГАЗ, снизу духовка электричество
39
Гефест сверху ГАЗ, снизу духовка электричество
Духовой шкаф электрический
40
Духовой шкаф электрический "Elba"
Газовый духовой шкаф de'Longhi dggb 4
41
Газовый духовой шкаф de'Longhi dggb 4
ГАЗ-контроль конфорок что это
42
ГАЗ-контроль конфорок что это
Плита Гефест электроподжиг и ГАЗ контроль
43
Плита Гефест электроподжиг и ГАЗ контроль
Розетка под встроенный духовой шкаф Electrolux
44
Розетка под встроенный духовой шкаф Electrolux
Регулировка ВМР газовой плиты Гефест 4
45
Регулировка ВМР газовой плиты Гефест 4
Розетка для встраиваемой духовки
46
Розетка для встраиваемой духовки
Подключить варочную панель Ханса
47
Подключить варочную панель Ханса
Провод для варочной панели Bosch
48
Провод для варочной панели Bosch
Починка газовой плиты
49
Починка газовой плиты
Электроподжиг духовки Гефест
50
Электроподжиг духовки Гефест
принцип работы газового духового шкафа
51
Плита Гефест пэ6760
52
Плита Гефест пэ6760
Электроподжиг духовки Гефест
53
Электроподжиг духовки Гефест
принцип работы газового духового шкафа
54
Electrolux opeb9953x
55
Electrolux opeb9953x
Плита Гефест пэ6760
56
Плита Гефест пэ6760
Hotpoint-Ariston fa5 841 JH BL ha
57
Hotpoint-Ariston fa5 841 JH BL ha
Подсоединяем баллонный ГАЗ К варочной панели
58
Подсоединяем баллонный ГАЗ К варочной панели
Горелка духовки газовая плита Брест 1457
59
Горелка духовки газовая плита Брест 1457
Газовый духовой шкаф Freggia OGRB 65 an
60
Газовый духовой шкаф Freggia OGRB 65 an
принцип работы газового духового шкафа
61
Электрический духовой шкаф Zanussi ZBN 725 W
62
Электрический духовой шкаф Zanussi ZBN 725 W
принцип работы газового духового шкафа
63
принцип работы газового духового шкафа
64
Разобранная газовая плита
65
Разобранная газовая плита
Нагревательный элемент для духового шкафа бош
66
Gorenje духовка гриль газовый
67
Gorenje духовка гриль газовый
Гефест 3200-08
68
Гефест 3200-08
Gefest газовая плита 300-03 схема духовки
69
Gefest газовая плита 300-03 схема духовки
Korting ogg 741 CRB
70
Korting ogg 741 CRB
Плита Гефест электроподжиг и ГАЗ контроль
71
Плита Гефест электроподжиг и ГАЗ контроль
Духовой шкаф Midea tf944eg9-WH
72
Духовой шкаф Midea tf944eg9-WH
Вентиляционные отверстия в духовке Гефест 6300
73
Вентиляционные отверстия в духовке Гефест 6300
Gefest 1757-2007 дверь духовки
74
Gefest 1757-2007 дверь духовки
Плита сверху газовая снизу электрическая
75
Плита сверху газовая снизу электрическая
Gefest электродуховка встраиваемая гриль
76
Gefest электродуховка встраиваемая гриль
Розетка под духовой шкаф бош
77
Розетка под духовой шкаф бош
Газовая плита Дарина схема духовки
78
Газовая плита Дарина схема духовки
Духовой шкаф Леран помыть стекло
79
Духовой шкаф Леран помыть стекло
Газовая плита с газовой духовкой требования к установке
80
Газовая плита с газовой духовкой требования к установке
Жиклеры под баллонный ГАЗ Гефест варочная панель
81
Жиклеры под баллонный ГАЗ Гефест варочная панель
Gefest газовая плита с газовой духовкой инструкция по применению
82
Gefest газовая плита с газовой духовкой инструкция по применению
принцип работы газового духового шкафа
83
Плита Gefest пг4 300-07
84
Плита Gefest пг4 300-07
Газовая плита Мерседес
85
Газовая плита Мерседес
Причины утечки газа
86
Причины утечки газа
Gefest ЭДВ да 622-03 н5
87
Gefest ЭДВ да 622-03 н5
Эл плита Beko схема электрическая принципиальная
88
Эл плита Beko схема электрическая принципиальная
принцип работы газового духового шкафа
89
Духовой шкаф Neff b1ace3fn0r схема встраивания
90
Духовой шкаф Neff b1ace3fn0r схема встраивания
Подсоединение шланга к газовой плите
91
Подсоединение шланга к газовой плите
Схемы установки газового счетчика на плиту
92
Схемы установки газового счетчика на плиту
Bosch hbg634bs1
93
Bosch hbg634bs1
Монтаж газовой варочной панели
94
Монтаж газовой варочной панели

Основные принципы работы

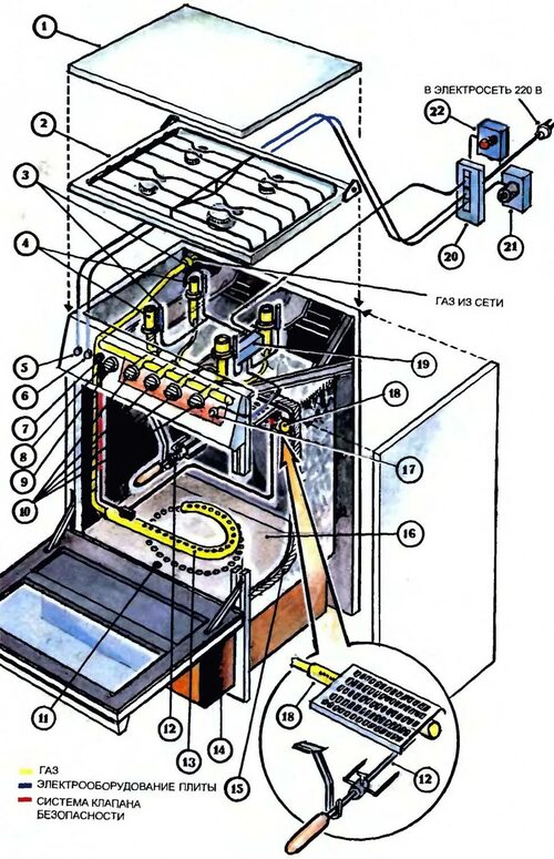
Газовый духовой шкаф оснащен горелкой, которая поджигает газ и создает высокую температуру внутри камеры. Тепло равномерно распределяется благодаря вентиляционной системе, что обеспечивает равномерное приготовление блюд. Также в шкафе присутствует термостат, который позволяет поддерживать заданную температуру.

Оставьте комментарий

Ваш электронный адрес не будет опубликован.