• Главная
  • схема сухожарового шкафа шс 80

Схема сухожарового шкафа ШС 80

25 января 2024 / 0 комментариев / 35 просмотров

Сухожаровой шкаф ШС 80 – это удобное и практичное хранилище для вашего дома или офиса. Собрать его самостоятельно несложно, если у вас есть подробная схема и инструкции.

схема сухожарового шкафа шс 80
1
схема сухожарового шкафа шс 80
2
Стерилизатор воздушный ГП-80 СПУ схема
3
схема сухожарового шкафа шс 80
4
схема сухожарового шкафа шс 80
5
Шкаф сушильно-стерилизационный ШСС-250 схема
6
схема сухожарового шкафа шс 80
7
схема сухожарового шкафа шс 80
8
Принципиальная электрическая схема аппарата для гальванизации
9
Стерилизатор воздушный ГП-80 СПУ схема
10
Термостат ТС-1/80 СПУ схема электрическая
11
схема сухожарового шкафа шс 80
12
схема сухожарового шкафа шс 80
13
схема сухожарового шкафа шс 80
14
схема сухожарового шкафа шс 80
15
схема сухожарового шкафа шс 80
16
схема сухожарового шкафа шс 80
17
схема сухожарового шкафа шс 80
18
Фен Интерскол 2000 Эл схема
19
схема сухожарового шкафа шс 80
20
Шкаф сушильный ШС-80-01 СПУ (+200с)
21
Шкаф сушильный ШС-80-01 СПУ (+200с)
ZOTA Lux 2.1 электрическая схема платы управления
22
схема сухожарового шкафа шс 80
23
схема сухожарового шкафа шс 80
24
схема сухожарового шкафа шс 80
25
Электрическая схема тепловоза тэм14
26
схема сухожарового шкафа шс 80
27
Шкаф ШС-80-01 СПУ
28
Шкаф ШС-80-01 СПУ
Принципиальная схема блока управления микроволновой печи
29
схема сухожарового шкафа шс 80
30
схема сухожарового шкафа шс 80
31
165 Токарный станок электросхема
32
165 Токарный станок электросхема
схема сухожарового шкафа шс 80
33
Сушильный шкаф см 50/250-500 ШС
34
Сушильный шкаф см 50/250-500 ШС
Станок рейсмусовый ср 6-9 электрическая схема
35
Декларация соответствия термостат ТС-1/80 СПУ
36
Декларация соответствия термостат ТС-1/80 СПУ
Принципиальная электрическая схема лифта 320кг
37
Сухожар ГП-10 инструкция по применению
38
Сухожар ГП-10 инструкция по применению
ФАП В селе Красноярка
39
ФАП В селе Красноярка
схема сухожарового шкафа шс 80
40
Шкаф сушильный ШС-80-01 МК СПУ
41
Шкаф сушильный ШС-80-01 МК СПУ
схема сухожарового шкафа шс 80
42
Электросхема экскаватора Комацу РС 300
43
Электросхема экскаватора Комацу РС 300
Шкаф сушильный ШС-80-01 СПУ
44
Шкаф сушильный ШС-80-01 СПУ
Стерилизатор воздушный ГП-10 СПУ
45
Стерилизатор воздушный ГП-10 СПУ
ACDR-500va схема принципиальная
46
Адриана Чечик Gabriella Paltrova
47
Адриана Чечик Gabriella Paltrova
схема сухожарового шкафа шс 80
48
схема сухожарового шкафа шс 80
49
Сушильный шкаф см 50/250-500 ШС
50
Сушильный шкаф см 50/250-500 ШС
схема сухожарового шкафа шс 80
51
схема сухожарового шкафа шс 80
52
схема сухожарового шкафа шс 80
53
схема сухожарового шкафа шс 80
54
Принципиальная схема шкафа управления электродвигателем 55квт
55
схема сухожарового шкафа шс 80
56
ШС-80-01 СПУ
57
ШС-80-01 СПУ
Сухожаровой шкаф для стерилизации схема
58
схема сухожарового шкафа шс 80
59
схема сухожарового шкафа шс 80
60
схема сухожарового шкафа шс 80
61
Шкаф сушильный ШС-80-01 СПУ
62
Шкаф сушильный ШС-80-01 СПУ
схема сухожарового шкафа шс 80
63
Автоклав ГК-100-3м схема электрическая
64
Шкаф сушильный ШСС-80п
65
Шкаф сушильный ШСС-80п
схема сухожарового шкафа шс 80
66
схема сухожарового шкафа шс 80
67
схема сухожарового шкафа шс 80
68
Принципиальная электрическая схема стиральной машины Whirlpool
69
схема сухожарового шкафа шс 80
70
Сухожар ГП-10
71
Сухожар ГП-10
схема сухожарового шкафа шс 80
72
Щит управления дымоудалением схема
73
Мини-погрузчик Ant 1000 электрическая схема
74
Электрическая принципиальная схема аварийного освещения
75
схема сухожарового шкафа шс 80
76
Блок автоматики схема электрическая принципиальная
77
схема сухожарового шкафа шс 80
78
схема сухожарового шкафа шс 80
79
Электросхема посудомоечной машины Hansa
80
Электросхема посудомоечной машины Hansa
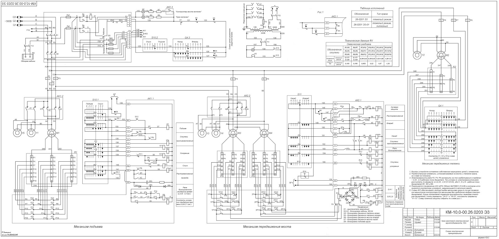
Кран ККС 10 схема электрическая
81
Аппарат для сушки рукавов 3300х2300х2500
82
Аппарат для сушки рукавов 3300х2300х2500
схема сухожарового шкафа шс 80
83
Сушильный шкаф MOV-112s
84
Сушильный шкаф MOV-112s
схема сухожарового шкафа шс 80
85
Чертеж коробки передач Газель 3302
86
Чертеж коробки передач Газель 3302
схема сухожарового шкафа шс 80
87
схема сухожарового шкафа шс 80
88
схема сухожарового шкафа шс 80
89
Сборочный чертеж электрического шкафа
90
Шкаф сушильный ШС-80-01 МК СПУ
91
Шкаф сушильный ШС-80-01 МК СПУ
схема сухожарового шкафа шс 80
92
схема сухожарового шкафа шс 80
93

Подробные схемы и инструкции

В данной статье мы предоставим вам подробные схемы сборки сухожарового шкафа ШС 80, а также пошаговые инструкции, которые помогут вам справиться с задачей без лишних трудностей.

Оставьте комментарий

Ваш электронный адрес не будет опубликован.